Характеристики:
Когда необходим разделительный трансформатор?
1. При попытках обеспечить электропитанием газовый котел через генератор с отсутствующим "нулем".
2. При покупке ИБП для системы газового отопления без сквозной нейтрали.
Важно помнить, что не все газовые котлы (в основном импортные) соответствуют Российским ГОСТ по электробезопасности и, соответственно, не все из них при штатном подключении могут работать с любым источником бесперебойного питания.
Газовые котлы по электрическим параметрам можно разделить на две группы: те, которые требуют «нейтраль» и те, которые её не требуют.
«Нейтраль» - это условное название того контакта в розетке бытовой сети, который «заземлен» на подстанции. Чтобы правильно подключить приобретенный Вами котел к источнику бесперебойного питания ИБПС-12-350М, необходимо сначала определить к какому из типов он относится. Для этого внимательно прочитайте паспорт котла, и если там нет такой информации, обратитесь к его продавцу или поставщику.
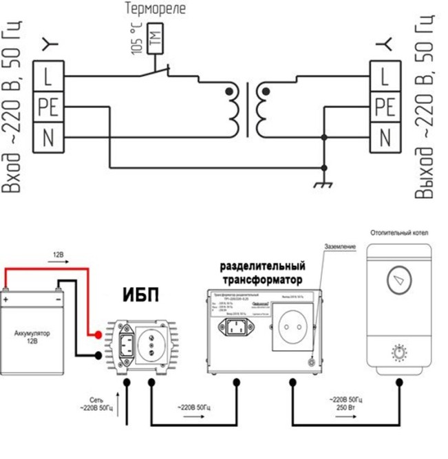
Если Ваш котел требует «нейтраль», тогда необходимо обеспечить гальваническую развязку выхода ИБПС-12-350М и входа газового котла. Для этого и необходим небольшой разделительный трансформатор с одинаковыми «первичной» и «вторичной» обмотками.
Разделительный трансформатор может устанавливаться, как на горизонтальной, так и на вертикальной плоскостях.
Для чего нужен разделительный трансформатор и какие проблемы он решает?
В настоящее время, в основном вследствие более низкой цены, все большую популярность приобретают фазозависимые газовые котлы (например, некоторые модели: Baxi, Viessman, Ferroli, Bosch и т.д.). Для обеспечения безопасности и стабильной работы газового котла необходимо заземление корпуса газового котельного оборудования. Кроме того, для обеспечения контроля пламени в фазозависимых газовых котлах необходимо соединение провода PEN с защитным заземлением. А что делать, если защитное заземление отсутствует (двухпроводная схема питания, питание от бензо/дизель генератора и т.п.), или оно некачественное (высокое сопротивление между проводником N и PEN или наличие напряжения между проводником N и PEN, в ИБП нет сквозной нейтрали)?
Компания СибКонтакт разработала разделительный трансформатор ТР1-220/220-0,25, который решает проблемы с отсутствием или некачественным защитным заземлением, фильтрацией высокочастотных помех и импульсных скачков напряжения. Разделительный трансформатор осуществляет гальваническую развязку цепи питания газового котельного оборудования от сети питания ~ 220 В, с последующим искусственным занулением (см. рисунок 1), что обеспечивает гарантированное 0 В между защитным заземлением и проводником N.
Примечание. Например, фазозависимые котлы марки Bosch могут некорректно работать или выйти из строя при напряжении от 6 В между проводником N и PEN.
Рисунок 2-3 – Электрическая схема разделительного трансформатора ТР1-220/220-0,25
Как правильно подключить разделительный трансформатор к газовому котельному оборудованию?
Разделительный трансформатор ТР1-220/220-0,25 имеет эргономичный корпус, его легко установить и подключить к системе питания газового котельного оборудования. Разделительный трансформатор устанавливается в цепь питания ~ 220 В непосредственно перед газовым котлом.
Порядок подключения следующий:
- отключить газовый котел от источника питания ~ 220 В (сеть ~ 220 В, ИБП, бензо/дизель генератора);
- подключить сетевой шнур разделительного трансформатора ТР1-220/220-0,25 к источнику питания ~ 220 В (сеть ~ 220 В, ИБП, бензо/дизель генератора);
- для фазозависимого котла необходимо определить с помощью индикаторной отвертки или другим способом фазу и нейтраль в розетке разделительного трансформатора;
- подключить газовый котел в розетку разделительного трансформатора ТР1-220/220-0,25 в соответствии с требованиями руководства по эксплуатации, как газового котла, так и разделительного трансформатора;
- убедиться, что газовый котел включился и корректно работает;
- все готово!
В качестве примера на рисунке 2 схематично показано подключение разделительного трансформатора ТР1-220/220-0,25 в цепь питания газового котла с источником бесперебойного питания ИБПС-12-350МП. Вместо ИБПС-12-350МП может быть любой другой ИБП, сеть ~ 220 В, стабилизатор напряжения, бензо/дизель генератор и т.п.


































